 |
     |
White Mountain Apache Tribe – Environmental Protection Office
Air Quality Program

The mission of the White Mountain Apache Tribe
Environmental Protection Office's Air Quality Program
is to safeguard human health and quality of life on the Fort Apache Indian Reservation.
“Quality air you can trust”
Quailty Air Coloring Book 2013 |
Air Quality Program
The White Mountain Apache Tribe Air Quality department is generally responsible for assessing the airshed & to address air quality issues.
Winter Wood Smoke in Northern Arizona Brochure
Air Quality Index
Air Now
|
| Program Objectives: |
- TEOM machines on Reservation
- Ambient Air Quality
- Building Tribal Capacity
- Outreach Awareness
|
| TEOM Machines |
EPO operates & maintains two TEOM machines one loacted at the Whiteriver Fire Department & one in McNary. |
 |
 |
| Whiteriver Fire Department |
McNary Community |
| Whiteriver Air Quality 2016 DATA |
McNary Air Quality 2016 DATA |
TEOM Machines Locations
|
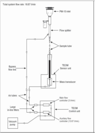
The TEOM Series 1400a Monitor is a true “gravimetric” instrument that draws ambient air through a filter at a constant flow rate, continuously weighing the filter and calculating near real-time mass concentrations.
|
 |
Pollutants (White Mountain Apache Tribe Air Quality Program) |
As mandated by the Clean Air Act (CAA), WMAT AQ program is required to set the National Ambient Air Quality Standards (NAAQS) under 40 CFR part 50. Those standards identify 6 criteria pollutants considered harmful to the public health and the environment. WMAT AQ program operates and maintains two air monitoring sites Whiteriver and Mc Nary which collect air quality data. |
 |
 |
PM are things that float in the air, it can be a solid particle or liquid droplet. Examples are dust, dirt, smoke & soot. It can come in any shape or size and is not always visible. PM can be divided into two groups, PM10 and PM2.5.
PM10 are particles between 2.5 and 10 micrometers in diameter. (25 to 100 times thinner than the human hair). These particles stay in the air for minutes or hours and can travel as much as a few yards to 30 miles.
PM2.5 are particles that are smaller than 2.5 micrometers in diameter. (100 times thinner than a human hair). These particles are so small they stay in the air longer and may travel hundreds of miles. This type has more health effects.
Sulfur dioxide (SO2)
A colorless gas or liquid; used in many industrial processes. It has a very pungent odor and is produced by the combustion of coal, fuel oil and gasoline. High amounts can irritate the respiratory system.
Nitrogen dioxide (NO2)
A highly poisonous brown gas that is often present in smog and exhaust from vehicles. NO2 forms from emissions from cars, trucks, buses, powerplants and off-road equipment.
Hydrogen Sulfide (H2S)
A colorless, flammable gas that has the odor of rotten eggs. This gas occurs naturally in coal pits, sulfur springs, gas wells and as a product of decaying organic sulfur matter under low oxygen conditions. It is found in sewers, sewage treatment plants & manure stockpiles, to name a few.
Ozone (O3)
Ozone is a gas that you cannot see or smell. There is good ozone and bad ozone. Good ozone is produced naturally in the stratosphere, about 10 to 30 miles above the earth's surface. A layer is formed that protects us from the sun's harmful rays. Bad ozone or ground level ozone is produced at the earths surface, this is in the air we breathe. It is bad because precursor pollutants such as cars, power plants, utilities come in contact with each other in the heat and sunlight creating "smog". This is bad for our health and the environment. |
| Community Outreach |
The Tribal Air Quality Program does numerous outreach activities such as parades, school presentations, and informational booths at various events to educate the people of the White Mountain Apache Tribe about what it means to have "Quality Air".
Here is a flyer on Carbon Monoxide.
|
 |
 |
| © 2017 White Mountain Apache Tribe |